911色I原创真实夫妻啪啪avI91精品国I奇米色在线I涩涩爱影院Iwww.五月天激情Iav天天堂I白丝avI在线看的黄色网址I亚洲综合在线色I国产尤物视频在线I在线xxxxI久久婷亚洲五月一区天天躁I草久久I极品少妇一区I国产又粗又长免费视频I欧美三级黄I一本久久久I一区在线观看I在线国产区

配件供應中心珀金斯Perkins 配件2674 A177渦輪增壓器804D-33T_珀金斯發動機配件_配件供應中心_產品中心_廈門永新昌機械設備有限公司
珀金斯Perkins 配件2674 A177渦輪增壓器804D-33T

珀金斯Perkins 配件2674 A177渦輪增壓器804D-33T_珀金斯發動機配件_配件供應中心_產品中心_廈門永新昌機械設備有限公司

當前分類:配件供應中心關鍵詞
產品信息

珀金斯配件2674 A177渦輪增壓器

項目 零配件號碼 最近的部分號碼

1 2674 A177 1 2674 A177 渦輪增壓器

Item Parts No. Qty. Latest Part No. Description Cut Out Cut In Comment

2 21826051 1 21826051 SEALING COMPOUND 50ml

3 3688X003 2 3688X003 SEAL - OIL

4 3688X004 4 3688X004 SEAL - OIL

5 3685A009 1 3685A009 GASKET

6 3685R007 1 3685R007 GASKET - LIFT PUMP

7 3684C004 1 3684C004 GASKET

8 3687M031 1 3687M031 GASKET - TIMING CASE COVER

9 3687M032 1 3687M032 GASKET - TIMING CASE

10 2415A015 1 2415A015 SEAL - O RING

11 2415A039 1 2415A039 SEAL - O RING

12 2415H031 1 2415H031 SEAL - O RING

13 2415A092 1 2415A092 SEAL - O RING

14 2415A036 1 2415A036 SEAL - SENSOR

15 2415B135 1 2415B135 SEAL - O RING

16 2415715 4 2415715 SEAL - O RING

17 3687M036 1 3687M036 GASKET - TIMING CASE COVER

Item Parts No. Qty. Latest Part No. Description Cut Out Cut In Comment

2 3684N023 1 3684N023 GASKET - SUMP

3 3688X003 2 3688X003 SEAL - OIL

4 3688X004 4 3688X004 SEAL - OIL

5 3685A009 1 3685A009 GASKET

6 3685R007 1 3685R007 GASKET - LIFT PUMP

7 3684C004 1 3684C004 GASKET

8 3687M031 1 3687M031 GASKET - TIMING CASE COVER

9 3687M036 1 3687M036 GASKET - TIMING CASE COVER

10 3687M032 1 3687M032 GASKET - TIMING CASE

11 2415A015 1 2415A015 SEAL - O RING

12 2415A039 1 2415A039 SEAL - O RING

13 2415H031 1 2415H031 SEAL - O RING

14 2415A092 1 2415A092 SEAL - O RING

15 2415A036 1 2415A036 SEAL - SENSOR

16 2415B135 1 2415B135 SEAL - O RING

17 2415715 4 2415715 SEAL - O RING

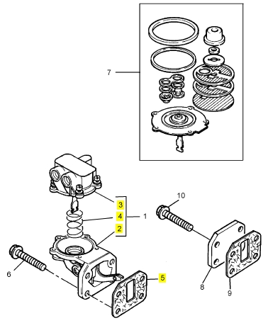
廈工、CAT卡特、JCB、福威重工挖掘機ULPK0031提升泵

項目 零配件號碼 最近的部分號碼

1 ULPK0031 1 ULPK0031 提升泵泵裝備

6 2314 H032 4 2314 H032 螺旋

7 ULPR0001 1 ULPR0001 修補裝備 - 提升泵泵

項目 零配件號碼 最近的部分號碼

2 1 體

3 1 體

4 1 彈簧

5 36851123 1 3685 R007 密合墊 - 提升泵泵

林德、海斯特、臺勵福叉車用珀金斯2656 F815燃料過濾器

項目 零配件號碼 最近的部分號碼

1 2656 F815 1 2656 F815 燃料過濾器組合

2 2314 J003 2 2314 J003 螺旋

3 0650204 2 0650204 栓塞

4 2411 D013 2 2411 D013 墊圈 01/06/2003

4 0920154 2 0920154 墊圈 31/05/2003

5 4121 A023 1 4121 A023 管 -燃料

10 4127 A022 1 4127 A022 管 -燃料

13 3172 X002 1 3172 X002 連接

14 3218 R037 1 3218 R037 班卓琴螺拴 01/06/03

14 3218 R013 1 3218 R013 班卓琴螺拴 31/05/03

15 2411 D010 1 2411 D010 墊圈 01/06/03

15 2415928 1 2415928 墊圈 31/05/03

16 2411 D010 1 2411 D010 墊圈 01/06/03

16 2415928 1 2415928 墊圈 31/05/03

17 3438 A008 1 3438 A008 管 -燃料

18 33225413 1 33225413 接合螺帽

19 33811115 1 33811115 橄欖

20 0576112 1 0576112 螺帽

20 33225413 1 33225413 接合螺帽

21 0566003 1 0566003 橄欖

21 33811115 1 33811115 橄欖

22 3355 M009 1 3355 M009 連接

23 0921168 1 0921168 墊圈

24 33225412 1 33225412 接合螺帽

25 33811112 1 33811112 橄欖

26 4126 A053 1 4126 A053 管 U831746G

26 4126 A023 1 4126 A023 管 -燃料 U831745G

28 0206102 1 0206102 管套節

29 33225412 1 33225412 接合螺帽

30 33811112 1 33811112 橄欖

31 33225412 1 33225412 接合螺帽

32 33811112 1 33811112 橄欖

33 2481 D301 2 2481 D301 夾

34 3621 A004 1 3621 A004 托架

35 2314 C062 3 2314 C062 螺旋

項目 零配件號碼 最近的部分號碼

2 1 冒口

3 26560904 1 26560904 螺帽

4 26560906 1 26560906 帽

5 26560905 1 26560905 密封 - O 的圈

6 26560907 1 26560907 栓塞

7 26560909 1 26560909 栓塞

8 26560923 1 26560923 密封 - O 的圈

9 26560903 1 26560903 密封 - O 的圈

10 26560143 1 26560143 燃料過濾器

13 26560902 1 26560902 圈

14 1 密封

15 1 帽

16 1 密封

17 1 手提澆斗

18 1 螺拴

19 1 墊圈

項目 零配件號碼 最近的部分號碼

1 2656 F815 1 2656 F815 燃料過濾器組合

項目 零配件號碼 最近的部分號碼

10 1 燃料過濾器

11 26560925 1 26560925 閥

12 26560911 I 1 26560911 I 墊圈

項目 零配件號碼 最近的部分號碼

1 2666 A014 4 2666 A014 GLOWPLUG 811076

1 2666 A005 4 2666 A005 GLOWPLUG 811075

2 3812 A017 1 3812 A017 鉛 U832982G

2 4172 E049 3 4172 E051 纜 8110721

2 4172 E051 3 4172 E051 纜 8110722

3 2666 B002 1 2666 B002 控制

項目 零配件號碼 最近的部分號碼

1 0650593 1 0650593 栓塞

2 2411287 1 2411287 墊圈

4 3353 K002 1 3353 K002 承接器 U815628D

5 2848062 1 2848062 油壓開關 U815628D

5 2848131 1 2848131 油壓開關 U815629D

項目 零配件號碼 最近的部分號碼

3 2846072 1 2846072 寄件人

購買配件須知:

1、購買前請確認零部件型號、技術參數、編碼、適用機型。因批次不同或存在零部件差異,請以實物為準。

2、為選購正確的零部件,可以通過對比現場零部件和本網站所展示的是否一致,來確保購買到準確的零部件。

3、本網站目前暫未上架全部機型的零部件,如在網站中未查詢到的零部件,請聯系我們。